Demolačné kladivo Worcraft RB16-45B využijete na drvenie betónu, sekanie, búranie, alebo kopanie. Efektívne vám poslúži pri montáži potrubí, elektroinštalačných, alebo sanitárnych prácach. Zapnete ho šikovným ON/OFF prepínačom.
Komfort pri práci vám poskytne vďaka svojmu kompaktnému tvaru a mäkkej prídavnej rukoväti. Kladivo disponuje výkonným 230 V motorom s príkonom 1700 W. Vaša práca s demolačným kladivom bude rýchla a nenáročná vďaka energii úderu 45 J a počtu príklepov 1 400 min-1.
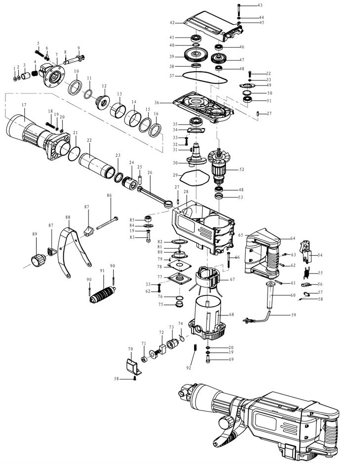
Demolačné kladivo s mechanickým príklepom je vybavené ochranou funkciou proti chodu naprázdno. Upínanie HEX dovoľuje jednoduchú výmenu sekáčov. Kladivo sa dodáva v praktickom kufri na kolieskach a taktiež obsahuje príslušenstvo ako sekáč a špic.
Príslušenstvo:
- kufor na kolieskach
- sekáč
- špic














